Rectifier

A rectifier is an electrical device that converts alternating current (AC), which periodically reverses direction, to direct current (DC), which flows in only one direction. The process is known as rectification. Physically, rectifiers take a number of forms, including vacuum tube diodes, mercury-arc valves, copper and selenium oxide rectifiers, semiconductor diodes, silicon-controlled rectifiers and other silicon-based semiconductor switches. Historically, even synchronous electromechanical switches and motors have been used. Early radio receivers, called crystal radios, used a "cat's whisker" of fine wire pressing on a crystal of galena (lead sulfide) to serve as a point-contact rectifier or "crystal detector".
Rectifiers have many uses, but are often found serving as components of DC power supplies and high-voltage direct current power transmission systems. Rectification may serve in roles other than to generate direct current for use as a source of power. As noted, detectors of radio signals serve as rectifiers. In gas heating systems flame rectification is used to detect presence of a flame.
Because of the alternating nature of the input AC sine wave, the process of rectification alone produces a DC current that, though unidirectional, consists of pulses of current. Many applications of rectifiers, such as power supplies for radio, television and computer equipment, require a steady constant DC current (as would be produced by a battery). In these applications the output of the rectifier is smoothed by an electronic filter (usually a capacitor) to produce a steady current.
More complex circuitry that performs the opposite function, converting DC to AC, is called an inverter.
Rectifier devices
Before the development of silicon semiconductor rectifiers, vacuum tube thermionic diodes and copper oxide- or selenium-based metal rectifier stacks were used.[1] With the introduction of semiconductor electronics, vacuum tube rectifiers became obsolete, except for some enthusiasts of vacuum tube audio equipment. For power rectification from very low to very high current, semiconductor diodes of various types (junction diodes, Schottky diodes, etc.) are widely used.
Other devices that have control electrodes as well as acting as unidirectional current valves are used where more than simple rectification is required—e.g., where variable output voltage is needed. High-power rectifiers, such as those used in high-voltage direct current power transmission, employ silicon semiconductor devices of various types. These are thyristors or other controlled switching solid-state switches, which effectively function as diodes to pass current in only one direction.
Rectifier circuits
Rectifier circuits may be single-phase or multi-phase (three being the most common number of phases). Most low power rectifiers for domestic equipment are single-phase, but three-phase rectification is very important for industrial applications and for the transmission of energy as DC (HVDC).
Single-phase rectifiers
Half-wave rectification
In half-wave rectification of a single-phase supply, either the positive or negative half of the AC wave is passed, while the other half is blocked. Because only one half of the input waveform reaches the output, mean voltage is lower. Half-wave rectification requires a single diode in a single-phase supply, or three in a three-phase supply. Rectifiers yield a unidirectional but pulsating direct current; half-wave rectifiers produce far more ripple than full-wave rectifiers, and much more filtering is needed to eliminate harmonics of the AC frequency from the output.

The no-load output DC voltage of an ideal half-wave rectifier for a sinusoidal input voltage is:[2]
where:
- Vdc, Vav – the DC or average output voltage,
- Vpeak, the peak value of the phase input voltages,
- Vrms, the root mean square (RMS) value of output voltage.
Full-wave rectification
A full-wave rectifier converts the whole of the input waveform to one of constant polarity (positive or negative) at its output. Full-wave rectification converts both polarities of the input waveform to pulsating DC (direct current), and yields a higher average output voltage. Two diodes and a center tapped transformer, or four diodes in a bridge configuration and any AC source (including a transformer without center tap), are needed.[3] Single semiconductor diodes, double diodes with common cathode or common anode, and four-diode bridges, are manufactured as single components.

For single-phase AC, if the transformer is center-tapped, then two diodes back-to-back (cathode-to-cathode or anode-to-anode, depending upon output polarity required) can form a full-wave rectifier. Twice as many turns are required on the transformer secondary to obtain the same output voltage than for a bridge rectifier, but the power rating is unchanged.


The average and RMS no-load output voltages of an ideal single-phase full-wave rectifier are:
Very common double-diode rectifier vacuum tubes contained a single common cathode and two anodes inside a single envelope, achieving full-wave rectification with positive output. The 5U4 and 5Y3 were popular examples of this configuration.
Three-phase rectifiers

Single-phase rectifiers are commonly used for power supplies for domestic equipment. However, for most industrial and high-power applications, three-phase rectifier circuits are the norm. As with single-phase rectifiers, three-phase rectifiers can take the form of a half-wave circuit, a full-wave circuit using a center-tapped transformer, or a full-wave bridge circuit.
Thyristors are commonly used in place of diodes to create a circuit that can regulate the output voltage. Many devices that provide direct current actually generate three-phase AC. For example, an automobile alternator contains six diodes, which function as a full-wave rectifier for battery charging.
Three-phase, half-wave circuit
An uncontrolled three-phase, half-wave circuit requires three diodes, one connected to each phase. This is the simplest type of three-phase rectifier but suffers from relatively high harmonic distortion on both the AC and DC connections. This type of rectifier is said to have a pulse-number of three, since the output voltage on the DC side contains three distinct pulses per cycle of the grid frequency.
Three-phase, full-wave circuit using center-tapped transformer
If the AC supply is fed via a transformer with a center tap, a rectifier circuit with improved harmonic performance can be obtained. This rectifier now requires six diodes, one connected to each end of each transformer secondary winding. This circuit has a pulse-number of six, and in effect, can be thought of as a six-phase, half-wave circuit.
Before solid state devices became available, the half-wave circuit, and the full-wave circuit using a center-tapped transformer, were very commonly used in industrial rectifiers using mercury-arc valves.[4] This was because the three or six AC supply inputs could be fed to a corresponding number of anode electrodes on a single tank, sharing a common cathode.
With the advent of diodes and thyristors, these circuits have become less popular and the three-phase bridge circuit has become the most common circuit.
![]() Three-phase half-wave rectifier circuit using thyristors as the switching elements, ignoring supply inductance |
![]() Three-phase full-wave rectifier circuit using thyristors as the switching elements, with a center-tapped transformer, ignoring supply inductance |
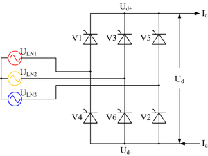
Three-phase bridge rectifier

For an uncontrolled three-phase bridge rectifier, six diodes are used, and the circuit again has a pulse number of six. For this reason, it is also commonly referred to as a six-pulse bridge.
For low-power applications, double diodes in series, with the anode of the first diode connected to the cathode of the second, are manufactured as a single component for this purpose. Some commercially available double diodes have all four terminals available so the user can configure them for single-phase split supply use, half a bridge, or three-phase rectifier.
For higher-power applications, a single discrete device is usually used for each of the six arms of the bridge. For the very highest powers, each arm of the bridge may consist of tens or hundreds of separate devices in parallel (where very high current is needed, for example in aluminium smelting) or in series (where very high voltages are needed, for example in high-voltage direct current power transmission).

For a three-phase full-wave diode rectifier, the ideal, no-load average output voltage is
If thyristors are used in place of diodes, the output voltage is reduced by a factor cos(α):
Or, expressed in terms of the line to line input voltage:[5]
Where:
- VLLpeak, the peak value of the line to line input voltages,
- Vpeak, the peak value of the phase (line to neutral) input voltages,
- α, firing angle of the thyristor (0 if diodes are used to perform rectification)
The above equations are only valid when no current is drawn from the AC supply or in the theoretical case when the AC supply connections have no inductance. In practice, the supply inductance causes a reduction of DC output voltage with increasing load, typically in the range 10–20% at full load.
The effect of supply inductance is to slow down the transfer process (called commutation) from one phase to the next. As result of this is that at each transition between a pair of devices, there is a period of overlap during which three (rather than two) devices in the bridge are conducting simultaneously. The overlap angle is usually referred to by the symbol μ (or u), and may be 20 30° at full load.
With supply inductance taken into account, the output voltage of the rectifier is reduced to:
The overlap angle μ is directly related to the DC current, and the above equation may be re-expressed as:
Where:
- Lc, the commutating inductance per phase
- Id, the direct current
![]() Three-phase Graetz bridge rectifier at alpha=0° without overlap |
![]() Three-phase Graetz bridge rectifier at alpha=0° with overlap angle of 20° |
![]() Three-phase controlled Graetz bridge rectifier at alpha=20° with overlap angle of 20° |
![]() Three-phase controlled Graetz bridge rectifier at alpha=40° with overlap angle of 20° |
Twelve-pulse bridge

Although better than single-phase rectifiers or three-phase half-wave rectifiers, six-pulse rectifier circuits still produce considerable harmonic distortion on both the AC and DC connections. For very high-power rectifiers the twelve-pulse bridge connection is usually used. A twelve-pulse bridge consists of two six-pulse bridge circuits connected in series, with their AC connections fed from a supply transformer that produces a 30° phase shift between the two bridges. This cancels many of the characteristic harmonics the six-pulse bridges produce.
The 30 degree phase shift is usually achieved by using a transformer with two sets of secondary windings, one in star (wye) connection and one in delta connection.
Voltage-multiplying rectifiers

The simple half-wave rectifier can be built in two electrical configurations with the diode pointing in opposite directions, one version connects the negative terminal of the output direct to the AC supply and the other connects the positive terminal of the output direct to the AC supply. By combining both of these with separate output smoothing it is possible to get an output voltage of nearly double the peak AC input voltage. This also provides a tap in the middle, which allows use of such a circuit as a split rail power supply.
A variant of this is to use two capacitors in series for the output smoothing on a bridge rectifier then place a switch between the midpoint of those capacitors and one of the AC input terminals. With the switch open, this circuit acts like a normal bridge rectifier. With the switch closed, it act like a voltage doubling rectifier. In other words, this makes it easy to derive a voltage of roughly 320 V (±15%, approx.) DC from any 120 V or 230 V mains supply in the world, this can then be fed into a relatively simple switched-mode power supply. However, for a given desired ripple, the value of both capacitors must be twice the value of the single one required for a normal bridge rectifier; when the switch is closed each one must filter the output of a half-wave rectifier, and when the switch is open the two capacitors are connected in series with an equivalent value of half one of them.

Cascaded diode and capacitor stages can be added to make a voltage multiplier (Cockroft-Walton circuit). These circuits are capable of producing a DC output voltage potential tens of times that of the peak AC input voltage, but are limited in current capacity and regulation. Diode voltage multipliers, frequently used as a trailing boost stage or primary high voltage (HV) source, are used in HV laser power supplies, powering devices such as cathode ray tubes (CRT) (like those used in CRT based television, radar and sonar displays), photon amplifying devices found in image intensifying and photo multiplier tubes (PMT), and magnetron based radio frequency (RF) devices used in radar transmitters and microwave ovens. Before the introduction of semiconductor electronics, transformerless powered vacuum tube receivers powered directly from AC power sometimes used voltage doublers to generate about 170 VDC from a 100–120 V power line.
Rectifier efficiency
Rectifier efficiency (η) is defined as the ratio of DC output power to the input power from the AC supply. Even with ideal rectifiers with no losses, the efficiency is less than 100% because some of the output power is AC power rather than DC which manifests as ripple superimposed on the DC waveform. For a half-wave rectifier efficiency is very poor,[6]
(the divisors are 2 rather than √2 because no power is delivered on the negative half-cycle)
Thus maximum efficiency for a half-wave rectifier is,
Similarly, for a full-wave rectifier,
Efficiency is reduced by losses in transformer windings and power dissipation in the rectifier element itself. Efficiency can be improved with the use of smoothing circuits which reduce the ripple and hence reduce the AC content of the output. Three-phase rectifiers, especially three-phase full-wave rectifiers, have much greater efficiencies because the ripple is intrinsically smaller. In some three-phase and multi-phase applications the efficiency is high enough that smoothing circuitry is unnecessary.[7]
Rectifier losses
A real rectifier characteristically drops part of the input voltage (a voltage drop, for silicon devices, of typically 0.7 volts plus an equivalent resistance, in general non-linear)—and at high frequencies, distorts waveforms in other ways. Unlike an ideal rectifier, it dissipates some power.
An aspect of most rectification is a loss from the peak input voltage to the peak output voltage, caused by the built-in voltage drop across the diodes (around 0.7 V for ordinary silicon p–n junction diodes and 0.3 V for Schottky diodes). Half-wave rectification and full-wave rectification using a center-tapped secondary produces a peak voltage loss of one diode drop. Bridge rectification has a loss of two diode drops. This reduces output voltage, and limits the available output voltage if a very low alternating voltage must be rectified. As the diodes do not conduct below this voltage, the circuit only passes current through for a portion of each half-cycle, causing short segments of zero voltage (where instantaneous input voltage is below one or two diode drops) to appear between each "hump".
Peak loss is very important for low voltage rectifiers (for example, 12 V or less) but is insignificant in high-voltage applications such as HVDC.
Rectifier output smoothing

While half-wave and full-wave rectification can deliver unidirectional current, neither produces a constant voltage. Producing steady DC from a rectified AC supply requires a smoothing circuit or filter.[8] In its simplest form this can be just a reservoir capacitor or smoothing capacitor, placed at the DC output of the rectifier. There is still an AC ripple voltage component at the power supply frequency for a half-wave rectifier, twice that for full-wave, where the voltage is not completely smoothed.

Sizing of the capacitor represents a tradeoff. For a given load, a larger capacitor reduces ripple but costs more and creates higher peak currents in the transformer secondary and in the supply that feeds it. The peak current is set in principle by the rate of rise of the supply voltage on the rising edge of the incoming sine-wave, but in practice it is reduced by the resistance of the transformer windings. In extreme cases where many rectifiers are loaded onto a power distribution circuit, peak currents may cause difficulty in maintaining a correctly shaped sinusoidal voltage on the ac supply.
To limit ripple to a specified value the required capacitor size is proportional to the load current and inversely proportional to the supply frequency and the number of output peaks of the rectifier per input cycle. The load current and the supply frequency are generally outside the control of the designer of the rectifier system but the number of peaks per input cycle can be affected by the choice of rectifier design.
A half-wave rectifier only gives one peak per cycle, and for this and other reasons is only used in very small power supplies. A full wave rectifier achieves two peaks per cycle, the best possible with a single-phase input. For three-phase inputs a three-phase bridge gives six peaks per cycle. Higher numbers of peaks can be achieved by using transformer networks placed before the rectifier to convert to a higher phase order.
To further reduce ripple, a capacitor-input filter can be used. This complements the reservoir capacitor with a choke (inductor) and a second filter capacitor, so that a steadier DC output can be obtained across the terminals of the filter capacitor. The choke presents a high impedance to the ripple current.[8] For use at power-line frequencies inductors require cores of iron or other magnetic materials, and add weight and size. Their use in power supplies for electronic equipment has therefore dwindled in favour of semiconductor circuits such as voltage regulators.
A more usual alternative to a filter, and essential if the DC load requires very low ripple voltage, is to follow the reservoir capacitor with an active voltage regulator circuit. The reservoir capacitor must be large enough to prevent the troughs of the ripple dropping below the minimum voltage required by the regulator to produce the required output voltage. The regulator serves both to significantly reduce the ripple and to deal with variations in supply and load characteristics. It would be possible to use a smaller reservoir capacitor (these can be large on high-current power supplies) and then apply some filtering as well as the regulator, but this is not a common strategy. The extreme of this approach is to dispense with the reservoir capacitor altogether and put the rectified waveform straight into a choke-input filter. The advantage of this circuit is that the current waveform is smoother and consequently the rectifier no longer has to deal with the current as a large current pulse, but instead the current delivery is spread over the entire cycle. The disadvantage, apart from extra size and weight, is that the voltage output is much lower – approximately the average of an AC half-cycle rather than the peak.
Applications
The primary application of rectifiers is to derive DC power from an AC supply (AC to DC converter). Virtually all electronic devices require DC, so rectifiers are used inside the power supplies of virtually all electronic equipment.
Converting DC power from one voltage to another is much more complicated. One method of DC-to-DC conversion first converts power to AC (using a device called an inverter), then uses a transformer to change the voltage, and finally rectifies power back to DC. A frequency of typically several tens of kilohertz is used, as this requires much smaller inductance than at lower frequencies and obviates the use of heavy, bulky, and expensive iron-cored units.

Rectifiers are also used for detection of amplitude modulated radio signals. The signal may be amplified before detection. If not, a very low voltage drop diode or a diode biased with a fixed voltage must be used. When using a rectifier for demodulation the capacitor and load resistance must be carefully matched: too low a capacitance makes the high frequency carrier pass to the output, and too high makes the capacitor just charge and stay charged.
Rectifiers supply polarised voltage for welding. In such circuits control of the output current is required; this is sometimes achieved by replacing some of the diodes in a bridge rectifier with thyristors, effectively diodes whose voltage output can be regulated by switching on and off with phase fired controllers.
Thyristors are used in various classes of railway rolling stock systems so that fine control of the traction motors can be achieved. Gate turn-off thyristors are used to produce alternating current from a DC supply, for example on the Eurostar Trains to power the three-phase traction motors.[9]
Rectification technologies
Electromechanical
Before about 1905 when tube type rectifiers were developed, power conversion devices were purely electro-mechanical in design. Mechanical rectification systems used some form of rotation or resonant vibration (e.g. vibrators) driven by electromagnets, which operated a switch or commutator to reverse the current.
These mechanical rectifiers were noisy and had high maintenance requirements. The moving parts had friction, which required lubrication and replacement due to wear. Opening mechanical contacts under load resulted in electrical arcs and sparks that heated and eroded the contacts. They also were not able to handle AC frequencies above several thousand cycles per second.
Synchronous rectifier
To convert alternating into direct current in electric locomotives, a synchronous rectifier may be used . It consists of a synchronous motor driving a set of heavy-duty electrical contacts. The motor spins in time with the AC frequency and periodically reverses the connections to the load at an instant when the sinusoidal current goes through a zero-crossing. The contacts do not have to switch a large current, but they must be able to carry a large current to supply the locomotive's DC traction motors.
Vibrating rectifier

These consisted of a resonant reed, vibrated by an alternating magnetic field created by an AC electromagnet, with contacts that reversed the direction of the current on the negative half cycles. They were used in low power devices, such as battery chargers, to rectify the low voltage produced by a step-down transformer. Another use was in battery power supplies for portable vacuum tube radios, to provide the high DC voltage for the tubes. These operated as a mechanical version of modern solid state switching inverters, with a transformer to step the battery voltage up, and a set of vibrator contacts on the transformer core, operated by its magnetic field, to repeatedly break the DC battery current to create a pulsing AC to power the transformer. Then a second set of rectifier contacts on the vibrator rectified the high AC voltage from the transformer secondary to DC.
Motor-generator set

A motor-generator set, or the similar rotary converter, is not strictly a rectifier as it does not actually rectify current, but rather generates DC from an AC source. In an "M-G set", the shaft of an AC motor is mechanically coupled to that of a DC generator. The DC generator produces multiphase alternating currents in its armature windings, which a commutator on the armature shaft converts into a direct current output; or a homopolar generator produces a direct current without the need for a commutator. M-G sets are useful for producing DC for railway traction motors, industrial motors and other high-current applications, and were common in many high-power D.C. uses (for example, carbon-arc lamp projectors for outdoor theaters) before high-power semiconductors became widely available.
Electrolytic
The electrolytic rectifier[10] was a device from the early twentieth century that is no longer used. A home-made version is illustrated in the 1913 book The Boy Mechanic [11] but it would only be suitable for use at very low voltages because of the low breakdown voltage and the risk of electric shock. A more complex device of this kind was patented by G. W. Carpenter in 1928 (US Patent 1671970).[12]
When two different metals are suspended in an electrolyte solution, direct current flowing one way through the solution sees less resistance than in the other direction. Electrolytic rectifiers most commonly used an aluminum anode and a lead or steel cathode, suspended in a solution of tri-ammonium ortho-phosphate.
The rectification action is due to a thin coating of aluminum hydroxide on the aluminum electrode, formed by first applying a strong current to the cell to build up the coating. The rectification process is temperature-sensitive, and for best efficiency should not operate above 86 °F (30 °C). There is also a breakdown voltage where the coating is penetrated and the cell is short-circuited. Electrochemical methods are often more fragile than mechanical methods, and can be sensitive to usage variations, which can drastically change or completely disrupt the rectification processes.
Similar electrolytic devices were used as lightning arresters around the same era by suspending many aluminium cones in a tank of tri-ammonium ortho-phosphate solution. Unlike the rectifier above, only aluminium electrodes were used, and used on A.C., there was no polarization and thus no rectifier action, but the chemistry was similar.[13]
The modern electrolytic capacitor, an essential component of most rectifier circuit configurations was also developed from the electrolytic rectifier.
Plasma type
The development of vacuum tube technology in the early 20th century resulted in the invention of various tube-type rectifiers, which largely replaced the noisy, inefficient mechanical rectifiers.
Mercury-arc

A rectifier used in high-voltage direct current (HVDC) power transmission systems and industrial processing between about 1909 to 1975 is a mercury-arc rectifier or mercury-arc valve. The device is enclosed in a bulbous glass vessel or large metal tub. One electrode, the cathode, is submerged in a pool of liquid mercury at the bottom of the vessel and one or more high purity graphite electrodes, called anodes, are suspended above the pool. There may be several auxiliary electrodes to aid in starting and maintaining the arc. When an electric arc is established between the cathode pool and suspended anodes, a stream of electrons flows from the cathode to the anodes through the ionized mercury, but not the other way (in principle, this is a higher-power counterpart to flame rectification, which uses the same one-way current transmission properties of the plasma naturally present in a flame).
These devices can be used at power levels of hundreds of kilowatts, and may be built to handle one to six phases of AC current. Mercury-arc rectifiers have been replaced by silicon semiconductor rectifiers and high-power thyristor circuits in the mid 1970s. The most powerful mercury-arc rectifiers ever built were installed in the Manitoba Hydro Nelson River Bipole HVDC project, with a combined rating of more than 1 GW and 450 kV.[14][15]
Argon gas electron tube

The General Electric Tungar rectifier was an argon gas-filled electron tube device with a tungsten filament cathode and a carbon button anode. It operated similarly to the thermionic vacuum tube diode, but the gas in the tube ionized during forward conduction, giving it a much lower forward voltage drop so it could rectify lower voltages. It was used for battery chargers and similar applications from the 1920s until lower-cost metal rectifiers, and later semiconductor diodes, supplanted it. These were made up to a few hundred volts and a few amperes rating, and in some sizes strongly resembled an incandescent lamp with an additional electrode.
The 0Z4 was a gas-filled rectifier tube commonly used in vacuum tube car radios in the 1940s and 1950s. It was a conventional full-wave rectifier tube with two anodes and one cathode, but was unique in that it had no filament (thus the "0" in its type number). The electrodes were shaped such that the reverse breakdown voltage was much higher than the forward breakdown voltage. Once the breakdown voltage was exceeded, the 0Z4 switched to a low-resistance state with a forward voltage drop of about 24 V.
Diode vacuum tube (valve)

The thermionic vacuum tube diode, originally called the Fleming valve, was invented by John Ambrose Fleming in 1904 as a detector for radio waves in radio receivers, and evolved into a general rectifier. It consisted of an evacuated glass bulb with a filament heated by a separate current, and a metal plate anode. The filament emitted electrons by thermionic emission (the Edison effect), discovered by Thomas Edison in 1884, and a positive voltage on the plate caused a current of electrons through the tube from filament to plate. Since only the filament produced electrons, the tube would only conduct current in one direction, allowing the tube to rectify an alternating current.
Vacuum diode rectifiers were widely used in power supplies in vacuum tube consumer electronic products, such as phonographs, radios, and televisions, for example the All American Five radio receiver, to provide the high DC plate voltage needed by other vacuum tubes. "Full-wave" versions with two separate plates were popular because they could be used with a center-tapped transformer to make a full-wave rectifier. Vacuum rectifiers were made for very high voltages, such as the high voltage power supply for the cathode ray tube of television receivers, and the kenotron used for power supply in X-ray equipment. However, compared to modern semiconductor diodes, vacuum rectifiers have high internal resistance due to space charge and therefore high voltage drops, causing high power dissipation and low efficiency. They are rarely able to handle currents exceeding 250 mA owing to the limits of plate power dissipation, and cannot be used for low voltage applications, such as battery chargers. Another limitation of the vacuum tube rectifier is that the heater power supply often requires special arrangements to insulate it from the high voltages of the rectifier circuit.
In musical instrument amplification (especially for electric guitars), the slight delay or "sag" between a signal increase (for instance, when a guitar chord is struck hard and fast) and the corresponding increase in output voltage is a notable effect of tube rectification, and results in compression. The choice between tube rectification and diode rectification is a matter of taste; some amplifiers have both and allow the player to choose.[16]
Solid state
Crystal detector

The cat's-whisker detector was the earliest type of semiconductor diode. It consisted of a crystal of some semiconducting mineral, usually galena (lead sulfide), with a light springy wire touching its surface. Invented by Jagadish Chandra Bose and developed by G. W. Pickard around 1906, it served as the radio wave rectifier in the first widely used radio receivers, called crystal radios. Its fragility and limited current capability made it unsuitable for power supply applications. It became obsolete around 1920, but later versions served as microwave detectors and mixers in radar receivers during World War 2.
Selenium and copper oxide rectifiers

Once common until replaced by more compact and less costly silicon solid-state rectifiers in the 1970s, these units used stacks of metal plates and took advantage of the semiconductor properties of selenium or copper oxide.[17] While selenium rectifiers were lighter in weight and used less power than comparable vacuum tube rectifiers, they had the disadvantage of finite life expectancy, increasing resistance with age, and were only suitable to use at low frequencies. Both selenium and copper oxide rectifiers have somewhat better tolerance of momentary voltage transients than silicon rectifiers.
Typically these rectifiers were made up of stacks of metal plates or washers, held together by a central bolt, with the number of stacks determined by voltage; each cell was rated for about 20 V. An automotive battery charger rectifier might have only one cell: the high-voltage power supply for a vacuum tube might have dozens of stacked plates. Current density in an air-cooled selenium stack was about 600 mA per square inch of active area (about 90 mA per square centimeter).
Silicon and germanium diodes
In the modern world, silicon diodes are the most widely used rectifiers for lower voltages and powers, and have largely replaced earlier germanium diodes. For very high voltages and powers, the added need for controllability has in practice led to replacing simple silicon diodes with high-power thyristors (see below) and their newer actively gate-controlled cousins.
High power: thyristors (SCRs) and newer silicon-based voltage sourced converters

In high-power applications, from 1975 to 2000, most mercury valve arc-rectifiers were replaced by stacks of very high power thyristors, silicon devices with two extra layers of semiconductor, in comparison to a simple diode.
In medium-power transmission applications, even more complex and sophisticated voltage sourced converter (VSC) silicon semiconductor rectifier systems, such as insulated gate bipolar transistors (IGBT) and gate turn-off thyristors (GTO), have made smaller high voltage DC power transmission systems economical. All of these devices function as rectifiers.
As of 2009 it was expected that these high-power silicon "self-commutating switches", in particular IGBTs and a variant thyristor (related to the GTO) called the integrated gate-commutated thyristor (IGCT), would be scaled-up in power rating to the point that they would eventually replace simple thyristor-based AC rectification systems for the highest power-transmission DC applications.[18]
Current research
A major area of research is to develop higher frequency rectifiers, that can rectify into terahertz and light frequencies. These devices are used in optical heterodyne detection, which has myriad applications in optical fiber communication and atomic clocks. Another prospective application for such devices is to directly rectify light waves picked up by tiny antenna, called nantennas, to produce DC electric power.[19] It is thought that arrays of nantennas could be a more efficient means of producing solar power than solar cells.
A related area of research is to develop smaller rectifiers, because a smaller device has a higher cutoff frequency. Research projects are attempting to develop a unimolecular rectifier, a single organic molecule that would function as a rectifier.
See also
| Wikimedia Commons has media related to rectifiers. |
- AC adapter
- Active rectification
- Capacitor
- Diode
- Direct current
- High-voltage direct current
- Inverter
- Ripple
- Synchronous rectification
- Vienna rectifier
References
- ↑ Morris, Peter Robin (1990). A History of the World Semiconductor Industry. p. 18. ISBN 978-0-86341-227-1.
- ↑ Lander, Cyril W. (1993). "2. Rectifying Circuits". Power electronics (3rd ed.). London: McGraw-Hill. ISBN 978-0-07-707714-3.
- ↑ Williams, B. W. (1992). "Chapter 11". Power electronics : devices, drivers and applications (2nd ed.). Basingstoke: Macmillan. ISBN 978-0-333-57351-8.
- ↑ Hendrik Rissik (1941). Mercury-arc current convertors [sic] : an introduction to the theory and practice of vapour-arc discharge devices and to the study of rectification phenomena. Sir I. Pitman & sons, ltd. Retrieved 8 January 2013.
- ↑ Kimbark, Edward Wilson (1971). Direct current transmission. (4. printing. ed.). New York: Wiley-Interscience. p. 508. ISBN 978-0-471-47580-4.
- ↑ "Analog and Digital Electronics", Rectifier and clipper circuit, pages 4 and 5, retrieved 25 April 2015.
- ↑ Wendy Middleton, Mac E. Van Valkenburg (eds), Reference Data for Engineers: Radio, Electronics, Computer, and Communications, p. 14. 13, Newnes, 2002 ISBN 0-7506-7291-9.
- 1 2 Archived 16 February 2012 at the Wayback Machine.
- ↑ Mansell, A.D.; Shen, J. (1 January 1994). "Pulse converters in traction applications". Power Engineering Journal. 8 (4): 183. doi:10.1049/pe:19940407.
- ↑ Hawkins, Nehemiah (1914). "54. Rectifiers". Hawkins Electrical Guide: Principles of electricity, magnetism, induction, experiments, dynamo. New York: T. Audel. Retrieved 8 January 2013.
- ↑ "How To Make An Electrolytic Rectifier". Chestofbooks.com. Retrieved 2012-03-15.
- ↑ US patent 1671970, Glenn W. Carpenter, "Liquid Rectifier", issued 1928-06-05
- ↑ American Technical Society (1920). Cyclopedia of applied electricity. 2. American technical society. p. 487. Retrieved 8 January 2013.
- ↑ Pictures of a mercury-arc rectifier in operation can be seen here: Belsize Park deep shelter rectifier 1, Belsize Park deep shelter rectifier 2
- ↑ Sood, Vijay K. HVDC and FACTS Controllers: Applications Of Static Converters In Power Systems. Springer-Verlag. p. 1. ISBN 978-1-4020-7890-3.
The first 25 years of HVDC transmission were sustained by converters having mercury arc valves till the mid-1970s. The next 25 years till the year 2000 were sustained by line-commutated converters using thyristor valves. It is predicted that the next 25 years will be dominated by force-commutated converters [4]. Initially, this new force-commutated era has commenced with Capacitor Commutated Converters (CCC) eventually to be replaced by self-commutated converters due to the economic availability of high-power switching devices with their superior characteristics.
- ↑ Hunter, Dave (September 2013). "What's The Big Deal About Tube Rectification?". Guitar Player. p. 136.
- ↑ H. P. Westman et al., (ed), Reference Data for Radio Engineers, Fifth Edition, 1968, Howard W. Sams and Co., no ISBN, Library of Congress Card No. 43-14665 chapter 13
- ↑ Arrillaga, Jos; Liu, Yonghe H; Watson, Neville R; Murray, Nicholas J. Self-Commutating Converters for High Power Applications. John Wiley & Sons. ISBN 978-0-470-68212-8.
- ↑ Idaho National Laboratory (2007). "Harvesting the sun's energy with antennas". Retrieved 2008-10-03.





